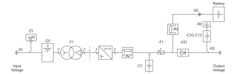
Power RCS is designed to provide high reliability power supply and battery charging capability. The Outdoor Plus version provides the same level of protection to your equipment and processes and complies with the stringent protection standards according to IEC 60529 (IP 65). Power RCS is a thyristor-controlled rectifier suitable for charging nickel-cadmium or lead-acid batteries while supplying DC loads. It can also be used without batteries as a direct power supply. The rectifier is built from independent building blocks and can be supplied with optional equipment as required. Cabinets are floor mounted. The batteries are installed in a separate cabinet from the rectifier. The Outdoor Plus version has been designed to have a natural cooling process, which simplifies maintenance and decreases total cost of ownership.
Standard systemThe Power RCS range of systems has been preconfigured with a number of the most commonly requested features built-in as standard. These systems are available “off-the-shelf” with standard drawings and standard user documentation. Standard configuration
|
| OptionsAs needed, the standard system can be enhanced by the additional options available. System speci c drawing packages and user documentation will be automatically generated to re ect the actual options con gured. To provide exact solutions for each application, we offer a wide range of options: System
Communication
|
| Alarms / signaling / measurement
Remote control options
|

